
线束设计与制造
从模块化设计到模块化制造
联系信息:
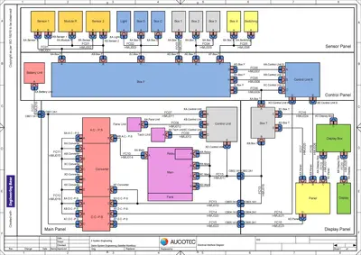
车辆的电气组件通过配电系统实现互联,开发过程中需统筹电气特性、几何属性与多样化变体配置,通过自动化与虚拟化技术释放全流程优化潜能。

通过交互式电气组件满足系统需求,常采用自上而下的开发模式逐步定义系统架构。确保全生命周期数据一致性、可追溯性及流程开放性,是现代电气设计的核心诉求。

在投产或车载布线前,需对开发数据进行深度处理,生成专用图纸、报告及生产系统数据。灵活的数据导入导出功能结合自动化处理,确保高效产出与卓越数据品质。

高质量的车辆维保与操作文档,以及支持开发制造的辅助资料至关重要。文档编制可高度自动化,并支持添加增值信息与可视化专项内容。

船舶与列车的电缆线束常敷设于专用桥架。管道布线需综合考量电气与机械参数,通过路径优化与流程改进,在设计与制造阶段实现显著降本。

传统软件深度集成往往耗费巨大,而Engineering Base独树一帜。其原生开放架构支持与多系统标准对接,且具备高度可扩展性。

电气系统开发常受限于工具僵化导致的多系统并存困局。Engineering Base突破桎梏:灵活适配各学科需求,实现图形与文本数据有机融合。
面对车型配置多样性,基于构件库的模块化设计是最优解。在汽车行业,线束需采用150%设计模式容纳所有模块变体组合。我们通过数字孪生技术建立模块关联映射,提供完美解决方案——这是文档式工具无法企及的。

Engineering Base数据模型支持即时信息录入,无需预设条件。数据结构经优化后可由算法自动解析处理,实现开发流程自动化与效率跃升。