
© istockphoto.com / Mailson Pignata
流程工厂设计
涵盖FEED、工艺设计至详细设计的化工工厂与装备建造
联系信息:
在FEED或基础设计阶段,Engineering Base支持直接导入Aspentech、Pro II等专业工具生成的模拟数据,同时兼容Excel或XML格式文件。系统自动执行数据比对分析,并可直接应用于最终选定方案的工厂概念深化设计。服务供应商因此能够高效评估更多工艺方案,显著节省时间成本。最终成果:打造更具竞争优势的高质量工程方案。
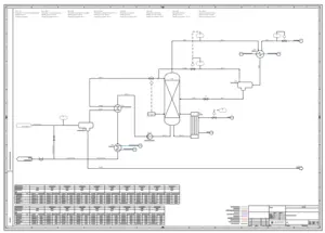
依托内置MS Visio软件,Engineering Base基于标准化图形库助您快速创建工艺流程图(PFD)和P&ID图。所有专业可在同一对象模型上协同工作,并根据各专业视图需求进行差异化呈现。由于这些视图本质上都是中央数据模型中单一对象实例的不同表现形式,系统从根本上确保了数据绝对一致性。

Engineering Base大幅简化各专业报表及数据表编制流程。基于平台生成的数字化工厂孪生模型,“Asset 360”功能可即时自动生成各类专业文档。无论是物料平衡表、质量流量表、设计数据表,还是仪表清单、房间清单等专项报表,仅需完成模板配置,即可轻松获取格式统一、内容完整的资产数据表。

在FEED阶段完成核心设备选型设计。Engineering Base为此提供可复用的标准模板库,支持叠加项目特定参数。设计方案基于上游计算软件(如专业选型工具)的导入结果,使您能够在项目早期创建主要设备对象模型,并在后续阶段持续深化详细设计,确保全周期系统连续性。

FEED阶段还可用于执行初步EI&C估算和设计工作——涵盖高压电路与接口设计、长周期组件识别以及首版逻辑图编制。在Engineering Base中集中创建的基础数据始终保持一致性,并将在后续设计阶段进行精细化调整,从而彻底消除数据维护需求。FEED阶段同步开展初步EI&C方案设计与评估工作,涵盖高压电路设计、设备接口定义、长周期设备识别及首版逻辑图编制。所有在Engineering Base中创建的基础数据始终保持中央一致性,并可通过后续阶段持续优化。此举彻底终结了传统模式下多方维护数据造成的版本混乱。